
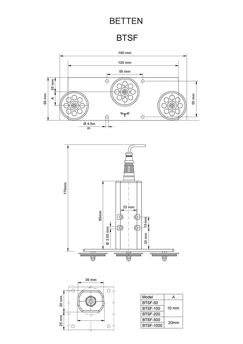
BTSF系列配有大直徑導輪測量時材料的彎曲半徑小,適合于測量光纖,碳纖維和特殊纖維等敏感材料的張力。


參數規格:
測量范圍: 0-0.5N 至0-10N
綜合誤差: ±1%FS
重復性: <±0.03%FS
蠕變: 正負0.05%FS/5mins
標定: 按百坦科技公司出廠程序標定
參考激勵電壓: 5-10VDC
輸入阻抗: 350±5
輸出阻抗: 350±5
絕緣電阻: ≥3000MΩ(50VDC)
零點輸出: <0.1mv/v
零點溫度影響: ±0.05%FS/10℃
靈敏度溫度影響:±0.05%FS/10℃
過載保護: 200%FS
空氣濕度: 85%最大相對濕度
工作溫度范圍: -10到+40℃
傳感器外殼: 鋁制
凈重(毛重): 約400g
連接電纜: 4*0.2²高效屏蔽電纜,3m長。∅6,保護材料為PVC
接線方法: 激勵電壓+:紅色 激勵電壓-:黑色
輸出信號+:綠色 輸出信號-:白色
屏蔽線:銀色
| 型號 | 張力范圍(cN) | 標定材料(聚酰胺單絲) |
BTSF-50 | 2.0-200.0 | φ0.2mm |
BTSF-100 | 2.0-200.0 | φ0.2mm |
BTSF-2009 | 2.0-200.0 | φ0.2mm |
| BTSF -500 | 5.0-500.0 | φ0.2mm |
| BTSF -1000 | 10-1000 | φ0.4mm |